Trung tâm sản phẩm

Để tạo ra một doanh nghiệp hàng đầu nổi tiếng thế giới trong quốc tế
Lĩnh vực máy móc đóng gói.
Trang chủ / Các sản phẩm / Thiết bị đóng gói thông minh / Máy đóng gói túi nhựa nặng / Máy đóng gói túi công nghiệp với băng tải cho thực phẩm FBS-10B

loading

Share:
facebook sharing button
twitter sharing button
line sharing button
wechat sharing button
linkedin sharing button
pinterest sharing button
whatsapp sharing button
sharethis sharing button

Máy đóng gói túi công nghiệp với băng tải cho thực phẩm FBS-10B

Tình trạng sẵn có:
Số:
  • FBS-10B

  • Hualian

  • Túi

  • Niêm phong, May/khâu

Sự mô tả


  • Máy đóng gói khâu gắn cạnh tự động FBS-10   Túi giấy. Nó có ứng dụng rộng rãi trong các lĩnh vực thực phẩm, thức ăn, ngành công nghiệp hóa chất. Máy này áp dụng hệ thống điều khiển quang điện, có thể tự động và liên tục hoàn thành tất cả các quy trình cắt ngang túi, liên kết băng giấy, khâu, cắt băng giấy và cắt chỉ. Hệ thống khí nén của nó hoạt động cắt chỉ và xịt bôi trơn.

  • Nó có thể tạo thành một dây chuyền sản xuất tự động với cân nặng tự động,   điền vào máy và băng tải.

  • Thiết bị tùy chọn: Bộ đếm 5 chữ số, báo động của luồng bị hỏng.


FBS-10A FBS-10B 袋口 方式 方式


FBS-10B 工序


Thông số

 

Người mẫu

FBS-10B

Điện áp (V/Hz)

AC 380/50

Tổng sức mạnhKw)

0.6

Công suất truyền tảiKw)

-

Sức mạnh vận động của may   Cỗ máyKw)

0.55

Tốc độ niêm phong m/phút)

9 (tùy chỉnh 8-16)

Chiều cao từ trung tâm niêm phong   lên sàn (mm)

700-1400

Áp suất nguồn không khí (MPA)

0.6

Chiều rộng băng dính (mm)

65

Mô hình máy may

GK35-7 (tùy chọn DS-9C GK95-1 DS-7C)

Chế độ kim

80800 × 250#

Đặc điểm kỹ thuật của máy may  

20 giây/620 giây/9  sợi sợi

Yêu cầu không gian chiều cao của Bagtop

200-250

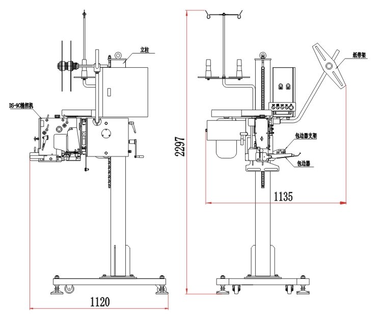
Kích thước (L × W×H) (mm)

1120 × 1135 × 2750

Trọng lượng tịnh / kg)

150


Kích thước


FBS-10B

Chi tiết sản phẩm


5 局部 图 上FBS-10B+SJB-3007 智能化 包装 系统 样品图 48 产品


Video


trước =: 
Tiếp theo: 

Đăng ký nhận bản tin của chúng tôi

Luôn cập nhật các bản phát hành, sự kiện và câu chuyện sản phẩm
Liên hệ với chúng tôi

LIÊN HỆ

Điện thoại: +86-577-88627766
Email: hl@hualian.biz
Thêm: Số 2 Đường Dawei, Gaoxiang Gói công nghiệp, Wenzhou Trung Quốc.

Theo chúng tôi

nhắn cho người bán
Liên hệ với chúng tôi
Bản quyền © 2020 Hualian. Tất cả quyền được bảo lưu. Giải pháp máy ảnh Hualian Machine News